



Sanitarni modul Geberit Monolith (ref. 131.021.SI.5) sofisticirano je, funkcionalno i estetsko rješenje za ugradnju visećih WC školjki. Dizajniran s prednjom staklenom pločom visoke kvalitete i bočnim stranama od četkanog aluminija, spaja moderan dizajn s naprednom tehnologijom, prilagođavajući se kako novogradnjama tako i renovacijama.
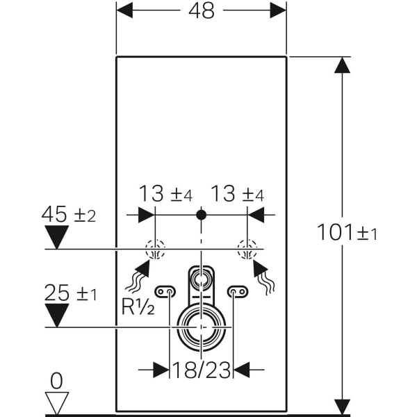
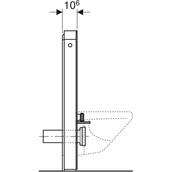
Ovaj model visine 101 cm namijenjen je za upotrebu s visećim WC školjkama, uključujući modele s funkcijom bidea poput Geberit AquaClean. Idealan je za instalacije kod kojih se odvod nalazi u zidu na visini većoj od 23 cm, omogućujući zamjenu WC školjki s niskom vidljivom vodokotlićem bez potrebe za velikim građevinskim radovima.
Sustav je samonosiv i može se montirati izravno na gotov pod i ispred laganih zidova ili zidanih pregrada. Visina učvršćenja keramičkog WC-a je podesiva (35 ± 1 cm), a konstrukcija omogućuje kompenzaciju tolerancija do 7 cm, što olakšava integraciju u prostore s nestandardnim mjerama.
Integrirani vodokotlić potpuno je zaštićen od kondenzacije, osiguravajući tihi rad bez kapanja. Ugrađen je sustav dvostrukog ispiranja od 6/3 litre, s mogućnošću podešavanja ukupnog volumena na 4,5 ili 6 litara, uz djelomično ispiranje od 3 litre. Ove značajke omogućuju odgovorno korištenje vode, u skladu s aktualnim standardima održivosti.
Modul uključuje donji priključak za dovod vode, ali također omogućuje bočni ulaz pomoću opcionalnih dodataka. Zahvaljujući funkcionalnom dizajnu, sve veze, uključujući komponente za dovod i odvod, ostaju skrivene, pružajući čist i elegantan izgled.
Sanitarni modul Geberit Monolith kombinira suvremeni dizajn, jednostavnu instalaciju i naprednu funkcionalnost. Njegova estetika s prednjom staklenom pločom i vrhunske performanse čine ga savršenim izborom za one koji žele obnoviti svoju kupaonicu sa stilom, tehnologijom i učinkovitošću.